PyroNFC
Small, Low-Cost Infrared Temperature Sensor with Smartphone Configuration - now with iOS app!

Features

  • Small, low-cost industrial non-contact temperature sensor
  • Side-entry cable: ideal for mounting in tight spaces
  • Choice of analogue outputs: voltage or Type K thermocouple
  • Temperature range 0°C to 1000°C
  • Fully configurable for averaging, hold processing, emissivity, output scale etc. via iOS and Android smartphone apps
  • Alarm output as standard on all models
  • Low-profile housing for applications with limited headroom e.g. brake testing, silicone rollers, textile machines etc
  • Not designed or approved for fever detection

General Specifications

Temperature Range
0 to 1000°C
Temperature Output
Choice of 2 options (see Ordering Information):

Voltage: 0-5 V DC or 0-10 V DC output, linear with measured temperature, rescalable, configurable via NFC

or

Type K Thermocouple output
Alarm Output
Open collector alarm output with temperature threshold and hysteresis, configurable via NFC

Note: Alarm and temperature outputs may be used simultaneously
Field of View
15:1 (see Field of View Diagram)
Accuracy
± 1.5% of reading or ± 1.5°C, whichever is greater
Repeatability
± 0.5% of reading or ± 0.5°C, whichever is greater
Response Time
125 ms (90% response)
Configuration
Via app (Android or iOS) using NFC-equipped device e.g. smartphone or tablet
Emissivity
Adjustable via app
Emissivity Setting Range
0.2 to 1.0
Max Temperature Span (Voltage Output)
1000°C
Min Temperature Span (Voltage Output)
100°C
Spectral Range
8-14 μm
Max. Supply Voltage
28 V DC
Min. Supply Voltage (at Sensor)
12 V DC (for 10 V output)
6 V DC (for 5 V output)
Max Current Draw
10 mA

App

System Requirements
Apple:
iOS 13 onwards
iPhone 7 onwards

Android:
Android 4.1 onwards
Devices with NFC (to check if your phone has NFC, visit www.nfcworld.com/nfc-phones-list )
Configurable Parameters
Temperature range (models with voltage output only)
Linear voltage output type and scale (models with voltage output only)
Alarm output threshold and hysteresis
Emissivity setting
Reflected temperature
Temperature Units
°C / °F
Signal Processing
Averaging Period (0.125 to 60 seconds)
Peak / Valley Hold
Hold Period (0.125 to 120 seconds)
Temperature Reading
Hold NFC device against sensor for continuous in-app temperature updates (Android)
Tap temperature and hold phone against sensor to take a single temperature reading (iOS)

Field of View Diagram

The diagram shows the measured spot size for 90% of the detected energy. Sensors can measure longer distances than the diagram shows, and the accuracy is not affected by the measurement distance in clean air. This is because the PyroNFC detects only the wavelengths of infrared radiation that are not absorbed by the atmosphere.

Mechanical Specifications

Construction
Black anodised aluminium and ABS
Cable Length
1 metre standard (longer lengths available to order)
Weight with 1 Metre Cable
65 g (models with voltage output)
100 g (models with thermocouple output)

Environmental Specifications

Environmental Rating
IP65
Ambient Temperature Range
0°C to 80°C
Relative Humidity
95% max. non-condensing

Electromagnetic Compatibility Standards

EN61326-1, EN61326-2-3 (Electrical Equipment for Measurement, Control and Laboratory Use – EMC Requirements – Industrial)

The PyroNFC is a general-purpose infrared temperature sensor. It measures non-reflective non-metals straight out of the box using default settings.

The surface temperature of materials including paper, thick plastics, wood and manufactured board, painted surfaces, tarmac, bulk materials, food, pharmaceuticals and organic materials is measured accurately and easily.

The sensor is fully configurable for emissivity setting, averaging, peak or valley hold processing, reflected energy compensation, alarm and more, via NFC (Near Field Communications) with the free PyroNFC app for Apple or Android devices.

Typical Applications

Brake testing
The PyroNFC fits in restricted spaces such as between a wheel and a disc brake. It can measure the temperature of the brake disc at the rim or the hub.
Condition monitoring
The sensor's low cost makes it ideal for measuring many points, and it is possible for the operator to check the temperature at each location with a smartphone with no need for a separate local display

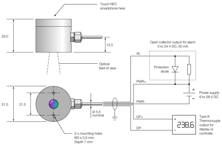
Installation (all dimensions in mm)

Models with Voltage Output

Models with Type K Thermocouple Output

Mounting Bracket

Fixed and adjustable mounting brackets

Provides 1 or 2 axis adjustment for aiming the sensor. Model shown: FBN (fixed mounting bracket, 1 axis adjustment).

Model: FBN (fixed); ABN (adjustable)

Air purge collar

Air purge collar

The lens of all infrared temperature sensors must be kept clean for accurate measurements. This accessory helps stop dust and condensation from settling on the lens. Includes barbed air fitting and long mounting screws.

Model: APN

Calibration Certificate

UKAS traceable calibration certificate at 3 standard temperature points.

Model: CALCERTA

Extended Cable

Calex can optionally fit a longer cable to the sensor (30 m max). The cable can also be extended by the user.

When extending the cable of sensors with thermocouple output, please ensure compensated thermocouple extension cable is used.

Model: PNCE (for PN151) / PNCEK (for PN151K)

Ordering Information

PyroNFC App Download (Android / iOS)

Get it on Google Play Download on the App Store

    Videos